首页 / 无源正压漏孔
  • 无源正压漏孔
  • 无源正压漏孔

无源正压漏孔

支持漏率定制,可指定压力
一款在线无源漏孔,根据入口气压定制漏率,抗摔,抗震,防堵塞,全不锈刚材质
423 已售
数量
添加购物车
立即购买
  • 详情
      技术要点


    • 微通道毛细管技术,精准稳定的泄露量,漏率更稳定
    • 多种标准接口与定制化接口匹配多种场景应用
    • 多量级漏率定制
    • 支持多种气体定制
    • 全不锈钢工艺制作使用寿命更长




     应用场景: · 各品牌氦检仪校准
    · 半导体行业,电池制造行业
    · 真空系统
    · 航天、医疗、材料科学


     

    技术参数:

    型号 TKD-02/03/04/05/06/07
    类型 正压漏孔
    气体 He3/He4
    漏率He4/He3 1.0E-2mbar.L/s-5.0E-9mbar.L/s
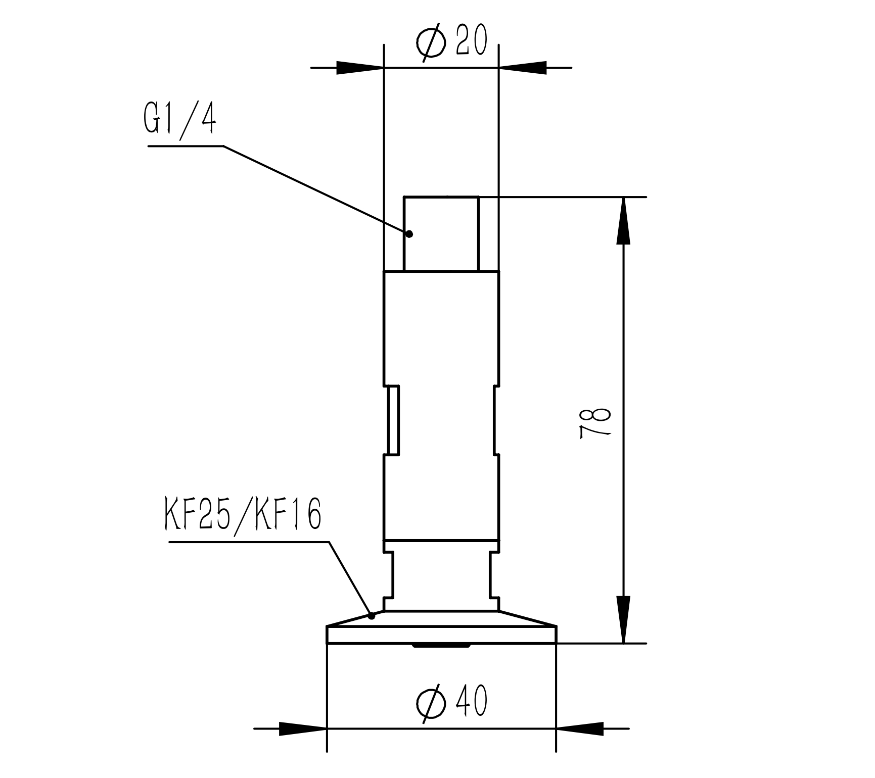
    充气压力/充气接头 0.01-10MPa/G1/4、KZD接头、定制
    漏率公差 ±10%
    气室体积 5mL
    出口接头 KF16/KF25/G1/4/标准吸枪口/需求定制
    漏孔工艺 通道型毛细管工艺
    阀门 无阀门
    压力表
    温漂 0.1%/°C
    校准证书 内部计量证书/第三方CNAS计量证书
    尺寸 78mm*20mm*40mm



    外观参数:
  • 顾客评论